Sistemul de dozaj CO2 pur
O gazeificare a aerului este necesara pentru dezvoltarea armonioasa a culturilor.
Contact+40 720 885 684

Cuprins
Sistemul de dozaj CO2 pur
Dioxidul de cabon (CO2) este folosit de plante in fotosinteza, un proces cunoscut de toata lumea, in care plantele transforma energia solara in energie chimica, pe care o
depoziteaza in diverse forme (spre exemplu sub forma de zaharuri), pentru a-si putea alimenta metabolismul.
Datorita faptului ca suplimentam concentratia de carbon din mediul de crestere al plantelor, recolta poate sa se mareasca si cu aproximativ 30%.
Aerul conține 78,84% azot, 20,947% oxigen şi 0,03% dioxid de carbon, cantitate suficientă pentru desfășurarea normală a proceselor de creștere și fructificare a plantelor. Dar, ridicarea producției legumicole din sere la parametri superiori nu se mai poate face numai pe cale naturală, ci este util să se recurgă la intensificarea fotosintezei.
Fotosinteza necesita atat apa, cat si CO2, iar rezultatele constau in compusi energetici pentru planta Sistemul de gazeificare propus asigura un dozaj minim de 60-80 kg/h/ha de CO2 pur, dintr- un rezervor de stocare.
Datorita faptului ca suplimentam concentratia de carbon din mediul de crestere al plantelor, recolta poate sa se mareasca si cu aproximativ 30%.
Aerul conține 78,84% azot, 20,947% oxigen şi 0,03% dioxid de carbon, cantitate suficientă pentru desfășurarea normală a proceselor de creștere și fructificare a plantelor. Dar, ridicarea producției legumicole din sere la parametri superiori nu se mai poate face numai pe cale naturală, ci este util să se recurgă la intensificarea fotosintezei.
Fotosinteza necesita atat apa, cat si CO2, iar rezultatele constau in compusi energetici pentru planta Sistemul de gazeificare propus asigura un dozaj minim de 60-80 kg/h/ha de CO2 pur, dintr- un rezervor de stocare.
Caracteristicile dozajului (informativ)
- dozaj minim
- greenhouse air volume
- densitatea aerului
- concentratia exterioara
- concentratia interioara
- reinnoire aer
- intretinere concentrare doza
- consum dozaj la culturi
- DOZAJ TOTAL
Avantajele utilizarii CO2-ului in sere
- Cresterea mai rapida a plantelor
- Calitate mult imbunatatita a produselor
- Reduce aparitia bolilor provocate de ciuperci
- Imbunatateste rata de de crestere
- Dezvoltatre mai rapida a radacinilor plantei
- Productie de flori ridicata
Principiul de functionare a sistemului automatizat de dozare CO2 in sera
La primele raze de lumina, instalatia este pusa in functiune prin intermediul unui comutator temporizat. Prima procedura este masurarea continutului de CO2 din sera si compararea valorii existente cu cea nominala. In functie de rezultat, se deschide alimentarea cu CO2 de la sistemul de comanda. Fluctuatile de necesar datorate rapoartelor de lumina alternative sunt compensate continuu.
Alimentarea cu CO2 este intrerupta de indata ce se deschid ferestrele de ventilare. In cazul in care una dintre valorile masurate depaseste un prag de alarma, alimentarea cu CO2 este intrerupta. Senzorii de pe circuit masoara nivelul de CO2 din sera si transmit aceste date catre unitatea centrala de comanda care compara valoarea receptionata de senzor (concentratia din sera) cu valoarea prestabilita introdusa de operator. Daca intre cele doua valori exista diferente, unitatea centrala va deschide/inchide cu ajutorul valvelor cu solenoid circuitul
de CO2, pana se ajunge la valoarea presetata.
Distributia CO2-ului in sera se face printr-o retea de tuburi perforate, instalate in asa fel incat CO2-ul sa fie distribuit cat mai omogen prin numeroase orificii.
Alimentarea cu CO2 este intrerupta de indata ce se deschid ferestrele de ventilare. In cazul in care una dintre valorile masurate depaseste un prag de alarma, alimentarea cu CO2 este intrerupta. Senzorii de pe circuit masoara nivelul de CO2 din sera si transmit aceste date catre unitatea centrala de comanda care compara valoarea receptionata de senzor (concentratia din sera) cu valoarea prestabilita introdusa de operator. Daca intre cele doua valori exista diferente, unitatea centrala va deschide/inchide cu ajutorul valvelor cu solenoid circuitul
de CO2, pana se ajunge la valoarea presetata.
Distributia CO2-ului in sera se face printr-o retea de tuburi perforate, instalate in asa fel incat CO2-ul sa fie distribuit cat mai omogen prin numeroase orificii.

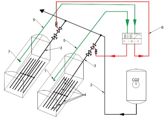
1. Rezervor de CO2 sau baterie de tuburi CO2;
2. Reteaua primara de distributie CO2;
3. Reteaua secundara distributie CO2 ;
4. Randuri cultura CO2;
5. Retea comanda la unitatea de procesare si comanada;
6. Reteaua comanda catre tubulatura alimentare cultura;
7. Senzor nivel CO2;
2. Reteaua primara de distributie CO2;
3. Reteaua secundara distributie CO2 ;
4. Randuri cultura CO2;
5. Retea comanda la unitatea de procesare si comanada;
6. Reteaua comanda catre tubulatura alimentare cultura;
7. Senzor nivel CO2;
Instalatia de dozaj
Conducte HDPE PN-10 si racorduri din alama si polietilena, utilizate in legatura dintre
rezervor si cutia de control
a. Structura de control
- cadru din otel inoxidabil;
- filtru din alama ptr.CO2 ptr.presiune reglabila intre o si 10 bari;
- regulator presiune ptr.CO2 ptr.presiune reglabila intre 0 si 10 bari;
- indicator debit ptr.CO2 de la 15 la 150mc;
- supape de sectionare, fitinguri din alama, manometre de 10kg;
si materiale marunte;
b. Grupul de emitatoare
1XCO2 grupuri emitatoare, plasate pe structura de control, unul ptr.compartimentul climatic.
Fiecare este compus din:
- supapa manuala de sectionare;
- electrovalva din bronz ptr.gaz inert cu comanda VAC;
- clapeta de inundatii cu blocare, din cauciuc, ptr.presiune de iesire;
- fitinguri alama, manometru 4 kg si materiale marunte;
a. Structura de control
- cadru din otel inoxidabil;
- filtru din alama ptr.CO2 ptr.presiune reglabila intre o si 10 bari;
- regulator presiune ptr.CO2 ptr.presiune reglabila intre 0 si 10 bari;
- indicator debit ptr.CO2 de la 15 la 150mc;
- supape de sectionare, fitinguri din alama, manometre de 10kg;
si materiale marunte;
b. Grupul de emitatoare
1XCO2 grupuri emitatoare, plasate pe structura de control, unul ptr.compartimentul climatic.
Fiecare este compus din:
- supapa manuala de sectionare;
- electrovalva din bronz ptr.gaz inert cu comanda VAC;
- clapeta de inundatii cu blocare, din cauciuc, ptr.presiune de iesire;
- fitinguri alama, manometru 4 kg si materiale marunte;


c. Reteaua de distributie
- teava HDPE PN-10 ptr.principalele distributii ale serei;
- teava LPDE PN-4 ptr.retele distributie secundare, fiecare retea avand un punct de acces independent;
- racorduri de alama ptr.polietilena(coturi, teuri, mufe, etc.)
d. Reteaua de furnizare CO2
- reteaua este compusa in fiecare tunel din 6 linii de furtun PE Ø 20mm special microperforat pentru distributia CO2, cu un debit de 2lts/h fiecare la 3,2m, cu un spatiu intre randuri de 1,4-1,6m incluzand accesorii ptr.reteaua de distributie.
In oferta nu este inclusa furnizarea sau instalarea rezervorului de stocare a gazului lichefiat pur, care trebuie sa furnizeze debitul minim si presiunea ceruta de instalatie.
Cerintele rezervorului de CO2 sau bateriei de tuburi de CO2, detaliile constructive si de performanta vor fi furnizate de catre compania de gaze responsabila cu furnizarea CO2.
- teava HDPE PN-10 ptr.principalele distributii ale serei;
- teava LPDE PN-4 ptr.retele distributie secundare, fiecare retea avand un punct de acces independent;
- racorduri de alama ptr.polietilena(coturi, teuri, mufe, etc.)
d. Reteaua de furnizare CO2
- reteaua este compusa in fiecare tunel din 6 linii de furtun PE Ø 20mm special microperforat pentru distributia CO2, cu un debit de 2lts/h fiecare la 3,2m, cu un spatiu intre randuri de 1,4-1,6m incluzand accesorii ptr.reteaua de distributie.
In oferta nu este inclusa furnizarea sau instalarea rezervorului de stocare a gazului lichefiat pur, care trebuie sa furnizeze debitul minim si presiunea ceruta de instalatie.
Cerintele rezervorului de CO2 sau bateriei de tuburi de CO2, detaliile constructive si de performanta vor fi furnizate de catre compania de gaze responsabila cu furnizarea CO2.

Câteva reguli privind alimentarea cu gaz :
1. Consumul de CO2 de către plante depinde direct de iluminat. În condiții de iluminare
artificială, gazul este absorbit de plante mai bine decât în lumina naturală a verii. Aceasta
înseamnă că iarna, alimentarea cu gaze ar trebui să fie mai mică decât vara.
2. Timpul de furnizare a gazului la instalații nu este mai puțin important decât cantitatea sa. Primul top dressing în timpul zilei se face cel mai bine dimineața, aproximativ 2 ore, primele ore cu lumina naturala. În acest moment, plantele absorb cel mai bine gazele. Al doilea pansament se face seara, cu 2 ore înainte de întuneric. Este indicat ca alimentarea cu CO2 sa se faca in perioadele in care ferestrele de ventilare sunt inchise.
3. Fiecare cultură are propriul său consum de dioxid de carbon. Prin urmare, asigurați-vă că folositi cantitatea optima de gaz pentru roșii, ardei sau flori. Excesul de gaz poate dăuna instalațiilor.
2. Timpul de furnizare a gazului la instalații nu este mai puțin important decât cantitatea sa. Primul top dressing în timpul zilei se face cel mai bine dimineața, aproximativ 2 ore, primele ore cu lumina naturala. În acest moment, plantele absorb cel mai bine gazele. Al doilea pansament se face seara, cu 2 ore înainte de întuneric. Este indicat ca alimentarea cu CO2 sa se faca in perioadele in care ferestrele de ventilare sunt inchise.
3. Fiecare cultură are propriul său consum de dioxid de carbon. Prin urmare, asigurați-vă că folositi cantitatea optima de gaz pentru roșii, ardei sau flori. Excesul de gaz poate dăuna instalațiilor.